ਉਤਪਾਦਾਂ ਦੀ ਜਾਣ-ਪਛਾਣ:
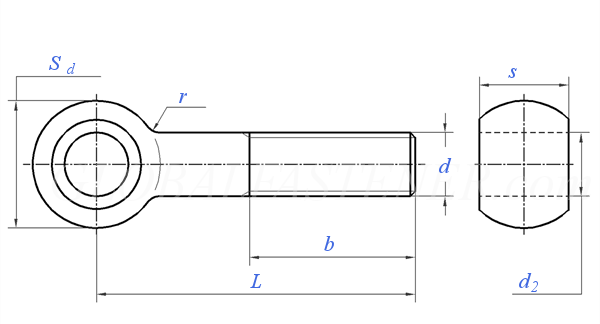
ਲਾਈਵ ਬੋਲਟ (ਜਿਨ੍ਹਾਂ ਨੂੰ ਆਈ ਬੋਲਟ ਜਾਂ ਫਿਸ਼-ਆਈ ਬੋਲਟ ਵੀ ਕਿਹਾ ਜਾਂਦਾ ਹੈ): ਇਹਨਾਂ ਵਿੱਚ ਇੱਕ ਥਰਿੱਡਡ ਸ਼ੈਂਕ ਅਤੇ ਸਿਰ 'ਤੇ ਇੱਕ ਗੋਲਾਕਾਰ ਅੱਖ-ਆਕਾਰ ਦਾ ਛੇਕ ਹੁੰਦਾ ਹੈ। ਕਾਰਬਨ ਸਟੀਲ (ਅਕਸਰ ਗਰਮ-ਡਿਪ ਗੈਲਵਨਾਈਜ਼ਿੰਗ ਜਾਂ ਬਲੈਕਨਿੰਗ ਦੇ ਨਾਲ) ਦੇ ਬਣੇ, ਇਹ ਬੋਲਟ ਲਚਕਦਾਰ ਘੁੰਮਣ ਅਤੇ ਕਨੈਕਸ਼ਨ ਨੂੰ ਸਮਰੱਥ ਬਣਾਉਂਦੇ ਹਨ। ਅੱਖ ਦਾ ਡਿਜ਼ਾਈਨ ਪਿੰਨਾਂ, ਰਾਡਾਂ, ਜਾਂ ਕੇਬਲਾਂ ਨੂੰ ਆਸਾਨੀ ਨਾਲ ਜੋੜਨ ਦੀ ਆਗਿਆ ਦਿੰਦਾ ਹੈ, ਖੇਤੀਬਾੜੀ ਮਸ਼ੀਨਰੀ (ਟਰੈਕਟਰ ਲਿੰਕੇਜ), ਨਿਰਮਾਣ ਸਕੈਫੋਲਡਿੰਗ, ਅਤੇ ਬਾਹਰੀ ਉਪਕਰਣਾਂ ਵਰਗੇ ਘੁੰਮਣ/ਅਡਜੱਸਟੇਬਲ ਬੰਨ੍ਹਣ ਦੀ ਜ਼ਰੂਰਤ ਵਾਲੇ ਦ੍ਰਿਸ਼ਾਂ ਦੇ ਅਨੁਕੂਲ। ਇਹ ਵਧੀਆ ਖੋਰ ਪ੍ਰਤੀਰੋਧ (ਖਾਸ ਕਰਕੇ ਗਰਮ-ਡਿਪ ਗੈਲਵਨਾਈਜ਼ਿੰਗ ਦੇ ਨਾਲ) ਅਤੇ ਭਰੋਸੇਯੋਗ ਲੋਡ-ਬੇਅਰਿੰਗ ਦੀ ਪੇਸ਼ਕਸ਼ ਕਰਦੇ ਹਨ।
ਵਰਤੋਂ ਲਈ ਨਿਰਦੇਸ਼:
ਲਾਈਵ ਬੋਲਟ ਲਚਕਦਾਰ ਬੰਨ੍ਹਣ ਲਈ ਹਨ। ਪਹਿਲਾਂ, ਕੰਪੋਨੈਂਟ ਦੇ ਛੇਕਾਂ ਨੂੰ ਇਕਸਾਰ ਕਰੋ। ਬੋਲਟ ਪਾਓ, ਇੱਕ ਮੇਲ ਖਾਂਦੀ ਗਿਰੀ ਨਾਲ ਕੱਸੋ। ਫਿਰ, ਹਿੱਸਿਆਂ ਨੂੰ ਜੋੜਨ ਲਈ ਅੱਖ ਵਿੱਚੋਂ ਇੱਕ ਪਿੰਨ/ਰੌਡ/ਕੇਬਲ ਪਾਓ। ਰੇਟ ਕੀਤੇ ਲੋਡ ਤੋਂ ਵੱਧ ਨਾ ਕਰੋ; ਨਿਯਮਿਤ ਤੌਰ 'ਤੇ ਥਰਿੱਡਾਂ ਅਤੇ ਅੱਖ ਨੂੰ ਘਿਸਣ/ਨੁਕਸਾਨ ਲਈ ਚੈੱਕ ਕਰੋ, ਖਾਸ ਕਰਕੇ ਬਾਹਰ ਜਾਂ ਉੱਚ ਲੋਡ ਦੇ ਹੇਠਾਂ।
| ਪੇਚ ਧਾਗਾ | M5 | M6 | M8 | ਐਮ 10 | ਐਮ 12 | ਐਮ16 | ਐਮ20 | ਐਮ24 | ||||
| d | ||||||||||||
| P | ਪਿੱਚ | 0.8 | 1 | 1.25 | 1.5 | 1.75 | 2 | 2.5 | 3 | |||
| b | L≤125 | 16 | 18 | 22 | 26 | 30 | 38 | 46 | 54 | |||
| 125<ਲੀਟਰ≤200 | - | - | 28 | 32 | 36 | 44 | 52 | 60 | ||||
| ਲੀਟਰ > 200 | - | - | - | - | 49 | 57 | 65 | 73 | ||||
| d2 | ਘੱਟੋ-ਘੱਟ=ਨਾਮਮਾਤਰ ਆਕਾਰ | 5 | 6 | 8 | 10 | 12 | 16 | 18 | 22 | |||
| ਵੱਧ ਤੋਂ ਵੱਧ | 5.03 | 6.03 | ੮.੦੩੬ | 10.036 | 12.043 | 16.043 | 18.043 | 22.052 | ||||
| Sd | ਵੱਧ ਤੋਂ ਵੱਧ | 12 | 14 | 18 | 20 | 25 | 32 | 40 | 45 | |||
| ਟਪਯ ਏ | ਮਿੰਟ | 10.9 | 12.9 | 16.9 | 18.7 | 23.7 | 30.4 | 38.4 | 43.4 | |||
| ਟਪਾਈ ਬੀ ਅਤੇ ਸੀ | ਮਿੰਟ | 11.57 | 13.57 | 17.57 | 19.48 | 24.48 | 31.38 | 39.38 | 44.38 | |||
| r | ਨਾਮਾਤਰ ਆਕਾਰ | 2.5 | 4 | 4 | 4 | 6 | 6 | 6 | 10 | |||
| ਵੱਧ ਤੋਂ ਵੱਧ | 3.75 | 6 | 6 | 6 | 9 | 9 | 9 | 15 | ||||
| ਮਿੰਟ | ੧.੮੭੫ | 3 | 3 | 3 | 4.5 | 4.5 | 4.5 | 7.5 | ||||
| s | ਕਿਸਮ ਏ | ਵੱਧ ਤੋਂ ਵੱਧ | 8 | 9 | 11 | 14 | 17 | 19 | 24 | 28 | ||
| ਮਿੰਟ | ੭.੫੨ | 8.52 | 10.3 | 13.3 | 16.3 | 18.16 | 23.16 | 27.16 | ||||
| ਕਿਸਮ ਬੀ ਅਤੇ ਸੀ | ਵੱਧ ਤੋਂ ਵੱਧ | 6 | 7 | 9 | 12 | 14 | 17 | 22 | 25 | |||
| ਮਿੰਟ | 5.88 | 6.85 | 8.85 | 11.82 | 13.82 | 16.82 | 21.79 | 24.79 | ||||
| ਪ੍ਰਤੀ 1000 ਸਟੀਲ ਉਤਪਾਦਾਂ ਦਾ ਭਾਰ (≈ਕਿਲੋਗ੍ਰਾਮ) | - | - | - | - | - | - | - | - | ||||
| ਧਾਗੇ ਦੀ ਲੰਬਾਈ b | - | - | - | - | - | - | - | - | ||||
| ਪੇਚ ਧਾਗਾ | (ਐਮ27) | ਐਮ30 | ਐਮ30 | (ਐਮ33) | ਐਮ36 | ਐਮ36 | (ਐਮ39) | (ਐਮ39) | ||||
| d | ||||||||||||
| P | ਪਿੱਚ | 3 | 3.5 | 3.5 | 3.5 | 4 | 4 | 4 | 4 | |||
| b | L≤125 | 60 | 66 | 66 | - | - | - | - | - | |||
| 125<ਲੀਟਰ≤200 | 66 | 72 | 72 | 78 | 84 | 84 | 90 | 90 | ||||
| ਲੀਟਰ > 200 | 79 | 85 | 85 | 91 | 97 | 97 | 103 | 103 | ||||
| d2 | ਘੱਟੋ-ਘੱਟ=ਨਾਮਮਾਤਰ ਆਕਾਰ | 25 | 27 ② | 28 | 30 | 32 | 33 ② | 35 | 36 ② | |||
| ਵੱਧ ਤੋਂ ਵੱਧ | 25.052 | 27.052 | 28.052 | 30.052 | 32.062 | 33.062 | 35.062 | 36.062 | ||||
| Sd | ਵੱਧ ਤੋਂ ਵੱਧ | 50 | 55 | 55 | 60 | 65 | 65 | 70 | 70 | |||
| ਟਪਯ ਏ | ਮਿੰਟ | 48.4 | 53.1 | 53.1 | 58.1 | 63.1 | 63.1 | 68.1 | 68.1 | |||
| ਟਪਾਈ ਬੀ ਅਤੇ ਸੀ | ਮਿੰਟ | 49.38 | 54.26 | 54.26 | 59.26 | 64.26 | 64.26 | 69.26 | 69.26 | |||
| r | ਨਾਮਾਤਰ ਆਕਾਰ | 10 | 10 | 10 | 16 | 16 | 16 | 16 | 16 | |||
| ਵੱਧ ਤੋਂ ਵੱਧ | 15 | 15 | 15 | 22.4 | 22.4 | 22.4 | 22.4 | 22.4 | ||||
| ਮਿੰਟ | 7.5 | 7.5 | 7.5 | 12.8 | 12.8 | 12.8 | 12.8 | 12.8 | ||||
| s | ਕਿਸਮ ਏ | ਵੱਧ ਤੋਂ ਵੱਧ | 30 | 34 | 34 | 38 | 41 | 41 | 46 | 46 | ||
| ਮਿੰਟ | 29.16 | 33 | 33 | 37 | 40 | 40 | 45 | 45 | ||||
| ਕਿਸਮ ਬੀ ਅਤੇ ਸੀ | ਵੱਧ ਤੋਂ ਵੱਧ | 27 | 30 | 30 | 34 | 38 | 38 | 41 | 41 | |||
| ਮਿੰਟ | 26.79 | 29.79 | 29.79 | 33.75 | 37.75 | 37.75 | 40.75 | 40.75 | ||||
| ਪ੍ਰਤੀ 1000 ਸਟੀਲ ਉਤਪਾਦਾਂ ਦਾ ਭਾਰ (≈ਕਿਲੋਗ੍ਰਾਮ) | - | - | - | - | - | - | - | - | ||||
| ਧਾਗੇ ਦੀ ਲੰਬਾਈ b | - | - | - | - | - | - | - | - | ||||
ਹੇਬੇਈ ਡੂਓਜੀਆ ਮੈਟਲ ਪ੍ਰੋਡਕਟਸ ਕੰਪਨੀ, ਲਿਮਟਿਡ ਨੂੰ ਪਹਿਲਾਂ ਯੋਂਗਹੋਂਗ ਐਕਸਪੈਂਸ਼ਨ ਸਕ੍ਰੂ ਫੈਕਟਰੀ ਵਜੋਂ ਜਾਣਿਆ ਜਾਂਦਾ ਸੀ। ਇਸ ਕੋਲ ਫਾਸਟਨਰਾਂ ਦੇ ਨਿਰਮਾਣ ਵਿੱਚ 25 ਸਾਲਾਂ ਤੋਂ ਵੱਧ ਦਾ ਪੇਸ਼ੇਵਰ ਤਜਰਬਾ ਹੈ। ਇਹ ਫੈਕਟਰੀ ਚਾਈਨਾ ਸਟੈਂਡਰਡ ਰੂਮ ਇੰਡਸਟਰੀਅਲ ਬੇਸ - ਯੋਂਗਨਾਨ ਜ਼ਿਲ੍ਹਾ, ਹੰਡਾਨ ਸਿਟੀ ਵਿੱਚ ਸਥਿਤ ਹੈ। ਇਹ ਫਾਸਟਨਰਾਂ ਦੇ ਔਨਲਾਈਨ ਅਤੇ ਔਫਲਾਈਨ ਉਤਪਾਦਨ ਅਤੇ ਨਿਰਮਾਣ ਦੇ ਨਾਲ-ਨਾਲ ਇੱਕ-ਸਟਾਪ ਵਿਕਰੀ ਸੇਵਾ ਕਾਰੋਬਾਰ ਵੀ ਕਰਦੀ ਹੈ।
ਇਹ ਫੈਕਟਰੀ 5,000 ਵਰਗ ਮੀਟਰ ਤੋਂ ਵੱਧ ਦੇ ਖੇਤਰ ਨੂੰ ਕਵਰ ਕਰਦੀ ਹੈ, ਅਤੇ ਗੋਦਾਮ 2,000 ਵਰਗ ਮੀਟਰ ਤੋਂ ਵੱਧ ਦੇ ਖੇਤਰ ਨੂੰ ਕਵਰ ਕਰਦਾ ਹੈ। 2022 ਵਿੱਚ, ਕੰਪਨੀ ਨੇ ਉਦਯੋਗਿਕ ਅਪਗ੍ਰੇਡ ਕੀਤਾ, ਫੈਕਟਰੀ ਦੇ ਉਤਪਾਦਨ ਆਰਡਰ ਨੂੰ ਮਿਆਰੀ ਬਣਾਇਆ, ਸਟੋਰੇਜ ਸਮਰੱਥਾ ਵਿੱਚ ਸੁਧਾਰ ਕੀਤਾ, ਸੁਰੱਖਿਆ ਉਤਪਾਦਨ ਸਮਰੱਥਾ ਨੂੰ ਵਧਾਇਆ, ਅਤੇ ਵਾਤਾਵਰਣ ਸੁਰੱਖਿਆ ਉਪਾਅ ਲਾਗੂ ਕੀਤੇ। ਫੈਕਟਰੀ ਨੇ ਇੱਕ ਸ਼ੁਰੂਆਤੀ ਹਰਾ ਅਤੇ ਵਾਤਾਵਰਣ ਅਨੁਕੂਲ ਉਤਪਾਦਨ ਵਾਤਾਵਰਣ ਪ੍ਰਾਪਤ ਕੀਤਾ ਹੈ।
ਕੰਪਨੀ ਕੋਲ ਕੋਲਡ ਪ੍ਰੈਸਿੰਗ ਮਸ਼ੀਨਾਂ, ਸਟੈਂਪਿੰਗ ਮਸ਼ੀਨਾਂ, ਟੈਪਿੰਗ ਮਸ਼ੀਨਾਂ, ਥ੍ਰੈਡਿੰਗ ਮਸ਼ੀਨਾਂ, ਫਾਰਮਿੰਗ ਮਸ਼ੀਨਾਂ, ਸਪਰਿੰਗ ਮਸ਼ੀਨਾਂ, ਕਰਿੰਪਿੰਗ ਮਸ਼ੀਨਾਂ ਅਤੇ ਵੈਲਡਿੰਗ ਰੋਬੋਟ ਹਨ। ਇਸਦੇ ਮੁੱਖ ਉਤਪਾਦ "ਵਾਲ ਕਲਾਈਂਬਰ" ਵਜੋਂ ਜਾਣੇ ਜਾਂਦੇ ਐਕਸਪੈਂਸ਼ਨ ਪੇਚਾਂ ਦੀ ਇੱਕ ਲੜੀ ਹਨ।
ਇਹ ਵਿਸ਼ੇਸ਼-ਆਕਾਰ ਦੇ ਹੁੱਕ ਉਤਪਾਦ ਵੀ ਤਿਆਰ ਕਰਦਾ ਹੈ ਜਿਵੇਂ ਕਿ ਲੱਕੜ ਦੇ ਦੰਦਾਂ ਦੀ ਵੈਲਡਿੰਗ ਸ਼ੀਪ ਆਈ ਰਿੰਗ ਸਕ੍ਰੂ ਅਤੇ ਮਸ਼ੀਨ ਟੂਥ ਸ਼ੀਪ ਆਈ ਰਿੰਗ ਬੋਲਟ। ਇਸ ਤੋਂ ਇਲਾਵਾ, ਕੰਪਨੀ ਨੇ 2024 ਦੇ ਅੰਤ ਤੋਂ ਨਵੇਂ ਉਤਪਾਦ ਕਿਸਮਾਂ ਦਾ ਵਿਸਤਾਰ ਕੀਤਾ ਹੈ। ਇਹ ਉਸਾਰੀ ਉਦਯੋਗ ਲਈ ਪਹਿਲਾਂ ਤੋਂ ਦਫ਼ਨਾਏ ਗਏ ਉਤਪਾਦਾਂ 'ਤੇ ਕੇਂਦ੍ਰਤ ਕਰਦਾ ਹੈ।
ਕੰਪਨੀ ਕੋਲ ਤੁਹਾਡੇ ਉਤਪਾਦਾਂ ਦੀ ਸੁਰੱਖਿਆ ਲਈ ਇੱਕ ਪੇਸ਼ੇਵਰ ਵਿਕਰੀ ਟੀਮ ਅਤੇ ਇੱਕ ਪੇਸ਼ੇਵਰ ਫਾਲੋ-ਅੱਪ ਟੀਮ ਹੈ। ਕੰਪਨੀ ਆਪਣੇ ਦੁਆਰਾ ਪੇਸ਼ ਕੀਤੇ ਜਾਣ ਵਾਲੇ ਉਤਪਾਦਾਂ ਦੀ ਗੁਣਵੱਤਾ ਦੀ ਗਰੰਟੀ ਦਿੰਦੀ ਹੈ ਅਤੇ ਗ੍ਰੇਡਾਂ 'ਤੇ ਨਿਰੀਖਣ ਕਰ ਸਕਦੀ ਹੈ। ਜੇਕਰ ਕੋਈ ਸਮੱਸਿਆ ਹੈ, ਤਾਂ ਕੰਪਨੀ ਪੇਸ਼ੇਵਰ ਵਿਕਰੀ ਤੋਂ ਬਾਅਦ ਸੇਵਾ ਪ੍ਰਦਾਨ ਕਰ ਸਕਦੀ ਹੈ।
ਸਾਡੇ ਨਿਰਯਾਤ ਦੇਸ਼ਾਂ ਵਿੱਚ ਰੂਸ, ਦੱਖਣੀ ਕੋਰੀਆ, ਬ੍ਰਿਟੇਨ, ਫਰਾਂਸ, ਜਰਮਨੀ, ਇਟਲੀ, ਕੈਨੇਡਾ, ਮੈਕਸੀਕੋ, ਬ੍ਰਾਜ਼ੀਲ, ਅਰਜਨਟੀਨਾ, ਚਿਲੀ, ਆਸਟ੍ਰੇਲੀਆ, ਇੰਡੋਨੇਸ਼ੀਆ, ਥਾਈਲੈਂਡ, ਸਿੰਗਾਪੁਰ, ਸਾਊਦੀ ਅਰਬ, ਸੀਰੀਆ, ਮਿਸਰ, ਤਨਜ਼ਾਨੀਆ। ਕੀਨੀਆ ਅਤੇ ਹੋਰ ਦੇਸ਼ ਸ਼ਾਮਲ ਹਨ। ਸਾਡੇ ਉਤਪਾਦ ਪੂਰੀ ਦੁਨੀਆ ਵਿੱਚ ਫੈਲਾਏ ਜਾਣਗੇ!
ਸਾਨੂੰ ਕਿਉਂ ਚੁਣੋ?
1. ਇੱਕ ਫੈਕਟਰੀ-ਸਿੱਧੇ ਸਪਲਾਇਰ ਦੇ ਤੌਰ 'ਤੇ, ਅਸੀਂ ਤੁਹਾਨੂੰ ਉੱਚ-ਗੁਣਵੱਤਾ ਵਾਲੇ ਫਾਸਟਨਰਾਂ ਲਈ ਸਭ ਤੋਂ ਵੱਧ ਪ੍ਰਤੀਯੋਗੀ ਕੀਮਤ ਦੀ ਪੇਸ਼ਕਸ਼ ਕਰਨ ਲਈ ਵਿਚੋਲੇ ਮਾਰਜਿਸ ਨੂੰ ਖਤਮ ਕਰਦੇ ਹਾਂ।
2. ਸਾਡੀ ਫੈਕਟਰੀ ISO 9001 ਅਤੇ AAA ਸਰਟੀਫਿਕੇਸ਼ਨ ਪਾਸ ਕਰਦੀ ਹੈ। ਸਾਡੇ ਕੋਲ ਗੈਲਵੇਨਾਈਜ਼ਡ ਉਤਪਾਦਾਂ ਲਈ ਕਠੋਰਤਾ ਟੈਸਟਿੰਗ ਅਤੇ ਜ਼ਿੰਕ ਕੋਟਿੰਗ ਮੋਟਾਈ ਦਾ ਟੈਸਟ ਹੈ।
3. ਉਤਪਾਦਨ ਅਤੇ ਲੌਜਿਸਟਿਕਸ 'ਤੇ ਪੂਰੇ ਨਿਯੰਤਰਣ ਦੇ ਨਾਲ, ਅਸੀਂ ਜ਼ਰੂਰੀ ਆਰਡਰਾਂ ਲਈ ਵੀ ਸਮੇਂ ਸਿਰ ਡਿਲੀਵਰੀ ਦੀ ਗਰੰਟੀ ਦਿੰਦੇ ਹਾਂ।
4. ਸਾਡੀ ਇੰਜੀਨੀਅਰਿੰਗ ਟੀਮ ਪ੍ਰੋਟੋਟਾਈਪ ਤੋਂ ਲੈ ਕੇ ਵੱਡੇ ਪੱਧਰ 'ਤੇ ਉਤਪਾਦਨ ਤੱਕ ਫੈਸਨਰਾਂ ਨੂੰ ਅਨੁਕੂਲਿਤ ਕਰ ਸਕਦੀ ਹੈ, ਜਿਸ ਵਿੱਚ ਵਿਲੱਖਣ ਧਾਗੇ ਦੇ ਡਿਜ਼ਾਈਨ ਅਤੇ ਖੋਰ-ਰੋਧੀ ਕੋਟਿੰਗ ਸ਼ਾਮਲ ਹਨ।
5. ਕਾਰਬਨ ਸਟੀਲ ਹੈਕਸ ਬੋਲਟ ਤੋਂ ਲੈ ਕੇ ਹਾਈ-ਟੈਨਸਾਈਲ ਐਂਕਰ ਬੋਲਟ ਤੱਕ, ਅਸੀਂ ਤੁਹਾਡੀਆਂ ਸਾਰੀਆਂ ਫਾਸਟਨਰ ਜ਼ਰੂਰਤਾਂ ਲਈ ਇੱਕ-ਸਟਾਪ ਹੱਲ ਪ੍ਰਦਾਨ ਕਰਦੇ ਹਾਂ।
6. ਜੇਕਰ ਕੋਈ ਨੁਕਸ ਪਾਇਆ ਜਾਂਦਾ ਹੈ, ਤਾਂ ਅਸੀਂ ਆਪਣੀ ਲਾਗਤ ਦੇ 3 ਹਫ਼ਤਿਆਂ ਦੇ ਅੰਦਰ ਬਦਲੀਆਂ ਦੁਬਾਰਾ ਭੇਜਾਂਗੇ।

















